A2C59512452 Veratron ViewLine Betriebsstundenzähler Schwarz 52mm
search
  • A2C59512452 Veratron ViewLine Betriebsstundenzähler Schwarz 52mm
  • A2C59512452 Veratron ViewLine Betriebsstundenzähler Schwarz 52mm
  • A2C59512452 Veratron ViewLine Betriebsstundenzähler Schwarz 52mm

Veratron ViewLine Betriebsstundenzähler Schwarz 52mm

Teilenummer:
Veratron A2C59512452
  • Farbe: Schwarz
  • Durchmesser des Paneellochs: 52 mm - 2 1/16"
  • Messbereich: 99999,9 Stunden
  • Front: Doppelverglasung - Antibeschlag
  • Einzelhandelsverpackung 1 Betriebsstundenzähler
Logistische Informationen:
  • HS Code: 90291010
  • Ean Code: 7640178724822
  • Gewicht: 0.45kg
Entfernt Artikel
Ersatzartikel auf Anfrage

Funktionsbeschreibung ViewLine Betriebsstundenzählers:

Der Einsatz von viewline Betriebsstundenzählern macht es einfach, das vorgeschriebene Serviceprogramm von Motoren im Blick zu behalten und zeitnah durchzuführen. Der Zähler schaltet sich erst ein, wenn der Motor in Betrieb ist. Dadurch werden nur die tatsächlich vom Motor geleisteten Arbeitsstunden gezählt. Die Veratron Betriebsstundenzähler sind mit oder ohne LED-Hintergrundbeleuchtung, Skala und Ziffernbeleuchtung erhältlich. Sie haben eine sehr klare und gut lesbare weiße oder schwarze Schale. Es gibt 9 verschiedene Modelle von austauschbaren Vorderringen in 3 verschiedenen Farben und 3 verschiedenen Profilen. Die maximale Umgebungstemperatur beträgt 80°C mit einem Frontring aus Kunststoff und bei Verwendung eines verchromten Frontrings 70°C. Die ViewLine Marine-Serie ist mit einer doppelten Antibeschlagscheibe ausgestattet. Die Standardserie verfügt über ein einzelnes Objektiv. Veratron ViewLine Geräte sind gegen Verpolung und Kurzschluss geschützt. Nachfolgend finden Sie die vollständigen Spezifikationen. Wenn Sie Fragen zu Veratron Betriebsstundenzählern haben, kontaktieren Sie uns bitte per E-Mail. Unser technisches Personal berät Sie gerne zum Veratron Programm und natürlich auch zu unseren weiteren Produkten im Bereich der Schiffstechnik.

Veratron ViewLine Black A2C59512452 Spezifikationen:

Abmessungen und Montage:

Eingebauter (Loch-) Durchmesser und Außendurchmesser:52 mm - 2 1/16 Zoll und 59,25 mm - 2 1/3 Zoll
Einbautiefe:50 mm
Plattenstärke mit Spinlock-Mutter:0,5 mm - 20 mm
Plattenstärke mit Halterungsmontage:2 mm - 15 mm (optional)
Unterbündige Montage:Optionales Kit A2C59510864

Funktional:

Messbereich:0 - 99999.9 Stunden
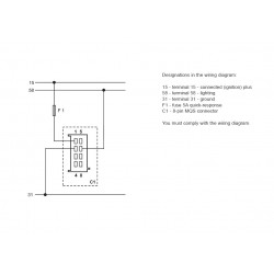
Eingangssignal für die Betriebsstunden des Zählers:Plus Zündschloss (Zündung)
Messgenauigkeit: ± 5 sec/d (bei 14V DC - 23°C - NL45)
KnotenpunktHirschmann 8-poliger MQS-Steckverbinder

Ernährung:

Versorgungsspannung:9 bis 30 V DC
Leistungsaufnahme:< 140 mA inkl. Warn-LED
Verpolungsschutz:Ja - 5 Minuten
Kurzschlussfestigkeit:Keine Veratron

Skala & Zeiger:

Maßstab:6 Ziffern
Farbe der Skala:Schwarz
Maßstabsgetreue Beleuchtung:Gelbe LED-Hintergrundbeleuchtung 605nm
Ziffern der Stunden:Weiß mit LED-Beleuchtung
Alarm-LED:Rot (632nm)
Programmieren:Veratron USB-Software-Kit

Ausführung:

Modell:Veratron ViewLine Marine
Frontglas Typ:Doppelt - Anti-Beschlag - Blendfrei
Standard-Frontring:Dreieck chrom (austauschbar)

Schutzart und Zertifizierung:

Schutzklasse vorne:IP67 (IEC 60529)
RückenschutzklasseSchutzart IP52
Relative Luftfeuchtigkeit:Maximal 95%
Betriebstemperatur:-30°C bis +70°C (Frontring chrom)
CE-Zertifizierung:Ja
DNV GL Zertifizierung:Ja
Vibrationstest:IEC60068-D-2-6 & DIN EN60068-D2-D64
Schocktest:IEC60068–2–27 & DIN EN 60068–2–29
Fallversuch:1 Meter - 3x
Feuersicherheit:UL94-VD

Verkaufsverpackungen:

  • Veratron ViewLine Schwarzer A2C59512452 Betriebsstundenzähler
  • Kabel mit Hirschmann-Stecker 8-polig
  • Frontring Dreieck chrom (austauschbar)
  • Spinlock-Mutter
  • Gummi-Dichtung
  • QR-Code
  • Sicherheits- und Installationshinweise
Veratron VDO
A2C59512452

Technische Daten

Messbereich
0 - 99999.9 H
Warnhinweis
Rote LED über Plus und Minus
Stromversorgung
8 - 32 Volt Gleichstrom
Verpackung
VDO Einzelhandel mit Instrumenten
Anwendung
VDO Motorsteuerung
Signal analog
Plus Zündschloss Zündung
Reihe
Veratron ViewLine Einzelhandel
Farbe
Schwarz
IP-Klasse vorne
IP67 (IEC 60529)
Eingabe
Analog
Größe der Installation
52 mm - 2 1/16 Zoll
Funktionalität
Wartungsintervalle
Vorderer Ring austauschbar
Ja - Clip-on
Modell mit vorderem Ring
Chrom-Dreieck
Kommunikation
Analog
Kategorie
Betriebsstundenzähler
Status des Artikels
Abgelaufenes Produkt

Besondere Bestellnummern

ean13
7640178724822
Hersteller-Teilenummer (MPN)
A2C59512452

Vielleicht gefällt Ihnen auch