A2C59514090 Veratron ViewLine Kraftstoffstand 90-0,5 Ohm* schwarz 52mm
search
  • A2C59514090 Veratron ViewLine Kraftstoffstand 90-0,5 Ohm* schwarz 52mm
  • A2C59514090 Veratron ViewLine Kraftstoffstand 90-0,5 Ohm* schwarz 52mm
  • A2C59514090 Veratron ViewLine Kraftstoffstand 90-0,5 Ohm* schwarz 52mm
  • A2C59514090 Veratron ViewLine Kraftstoffstand 90-0,5 Ohm* schwarz 52mm

Veratron ViewLine Kraftstoffstand 90-0,5 Ohm* schwarz 52mm

Teilenummer:

Veratron A2C59514090

  • Farbe: Schwarz
  • Durchmesser des Paneellochs: 52 mm - 2 1/16"
  • Messbereich: E -1/2 - F = 90 - 0 Ohm
  • Front: Doppelverglasung - Antibeschlag
  • Einzelhandelsverpackung 1 Tankanzeige
Logistische Informationen:
  • HS Code: 90269000
  • Gewicht: 0.50kg
Entfernt Artikel
Ersatzartikel auf Anfrage

Funktionsbeschreibung ViewLine Kraftstoffstandsanzeige:

Veratron ViewLine A2C59514090 Spezifikationen:

Abmessungen und Montage:

Eingebauter (Loch-) Durchmesser und Außendurchmesser: 52 mm - 2 1/16 Zoll und 59,25 mm - 2 1/3 Zoll
Einbautiefe: 50 mm
Plattenstärke mit Spinlock-Mutter: 0,5 mm - 20 mm
Plattenstärke mit Halterungsmontage: 2 mm - 15 mm (optional)
Unterbündige Montage: Optionales Kit A2C59510864

Funktional:

Messbereich des Kraftstoffstandes: E -1/2 - F
Widerstand leer: 90 Ohm
Widerstand voll: 0 Ohm
Eingangssignal für den Kraftstoffstand: Veratron Rohrschwimmer 90 - 0,5 Ohm EU einstellbar
Messgenauigkeit: < 3,6° des Skalenendwerts
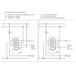
Knotenpunkt Hirschmann 8-poliger MQS-Steckverbinder

Ernährung:

Versorgungsspannung: 8 - 32 V Gleichstrom
Leistungsaufnahme: < 140 mA inkl. Warn-LED
Verpolungsschutz: Ja - 5 Minuten
Kurzschlussfestigkeit: Ja - 1 Minute

Skala & Zeiger:

Maßstab: 90°
Farbe der Skala: Schwarz
Maßstabsgetreue Beleuchtung: Gelbe LED-Hintergrundbeleuchtung 605nm
Nadel: Weiß mit LED-Beleuchtung
Alarm-LED: Rot (632nm)
Programmieren: Veratron USB-Software-Kit

Ausführung:

Modell: Veratron ViewLine Marine
Frontglas Typ: Doppelt - Anti-Beschlag - Blendfrei
Standard-Frontring: Dreieck schwarz (austauschbar)

Schutzart und Zertifizierung:

Schutzklasse vorne: IP67 (IEC 60529)
Rückenschutzklasse Schutzart IP52
Relative Luftfeuchtigkeit: Maximal 95%
Betriebstemperatur: -30°C bis +80°C (vorderer Kunststoffring)
CE-Zertifizierung: Ja
DNV GL Zertifizierung: Ja
Vibrationstest: 25G - 6ms - 1Hz
Schocktest: 100G - 11 ms
Fallversuch: 1 Meter - 3x
Feuersicherheit: UL94-VD

Verkaufsverpackungen:

  • Veratron ViewLine Schwarz A2C59514090 Kraftstoffstandsanzeige
  • Kabel mit Hirschmann-Stecker 8-polig
  • Vorderring Schwarzes Dreieck
  • Spinlock-Mutter
  • Gummi-Dichtung
  • QR-Code
  • Sicherheits- und Installationshinweise
  • Lieferung ohne Veratron Kraftstoffsensor
A2C59514090

Technische Daten

Füllstand-Messbereich
E - 1/2 - F
Warnhinweis
Rote LED über Plus und Minus
Stromversorgung
8 - 32 Volt Gleichstrom
Verpackung
VDO Einzelhandel mit Instrumenten
Anwendung
VDO Füllstandsmessung
Signal analog
Leer - Voll : 60-90 - 0,5 Ohm
Reihe
Veratron ViewLine Einzelhandel
Linse
Doppelter Antibeschlagschutz aus Kunststoff
Farbe
Schwarz
IP-Klasse vorne
IP67 (IEC 60529)
Eingabe
Analog
Größe der Installation
52 mm - 2 1/16 Zoll
Funktionalität
EU-Rohrschwimmer 90-0 Ohm
Vorderer Ring austauschbar
Ja - Clip-on
Modell mit vorderem Ring
Schwarzes Dreieck
Kommunikation
Analog
Kategorie
Kraftstoffstandsanzeiger
Status des Artikels
Abgelaufenes Produkt

Besondere Bestellnummern

Hersteller-Teilenummer (MPN)
A2C59514090